Насоси НПлР — пластинчасті гідравлічні насоси з регульованим потоком. Вони використовуються в системах гідравліки металообробних верстатів та інших машин. НПлР дозволяють змінювати подачу мінеральної олії від номінального значення до нуля при досягненні в системі певного тиску, що відповідає настройкам клапана. Регулювання тиску клапані здійснюється механічно. Також передбачено можливість механічної зміни робочого об'єму для зменшення номінальної подачі. Насоси виготовляються у двох варіантах з тиском на виході: 6,3 МПа та 16 МПа. Подача варіюється від 24 до 172,5 л/хв. Напрямок обертання валу — правий. Частота обертання — 1450 об/хв.
У гідронасосах цього типу використовується мінеральна олива марок ІГП 38 і ВНДІ НП-403 з тонкістю фільтрації 25 мкм і класом чистоти до 12. В'язкість оливи повинна бути 20-400 сСт — для насосів НПЛ 6,3 МПа і 25-213 сСт — для насосів НПЛ 16 МПа, а її температура — від -10 до +60 °С.

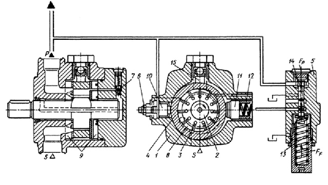
1 — корпус; 2 — ротор; 3 — пластини; 4 — статорне кільце; 5 — регулятор; 6 — гвинт обмеження максимальної подачі; 7 — клапан випуску повітря; 8 — серпоподібний паз; 9 — розподільчі диски; 10 і 11 — поршні; 12 та 13 — пружини; 14 — золотник; 15 — підп'ятник.
При обертанні валу робочі камери, розташовані нижче осі ротора, всмоктують робочу рідину через серповидний паз, а камери, розташовані вище осі, нагнітають робочу рідину через верхній серповидний паз в лінію Р. Подача насоса регулюється шляхом зміни ексцентриситету статорного кільця, яке взаємодіє з поршнями 10 и 11. Робочі порожнини поршнів з'єднані відповідно до напірної лінії Р і регулятором 5. Золотник 14 навантажений зверху силою Fp від тиску робочої рідини, а знизу — регульованою силою FF пружини 13. При Fp < < FF золотник з'єднує порожнину під великим поршнем 11 з напірною лінією і кільце 4 встановлюється в положення максимального ексцентриситету. При Fp > FF порожнина поршня 11 з'єднується зі зливною лінією, і кільце 4 поршнем 10 встановлюється положення ексцентриситету, близьке до нуля. Внутрішні витікання відводяться з насоса через дренажний отвір.
Насоси НПлР виготовляються в 4 типорозмірах: НПлР 20, НПлР 50, НПлР 80, НПлР 125. Їх технічні характеристики наведені в таблиці.
| Модель | НПлР-20/6,3 | НПлР-20/16 | НПлР-50/6,3 | НПлР-50/16 | НПлР-80/6,3 | НПлР-80/16 | НПлР-125/6,3 | НПлР-125/16 | НПлР-125/12,5 |
| Номінальний робочий об'єм, см³ | 20 | 50 | 80 | 125 | |||||
| Номінальна подача, л/хв. | 26,5 | 24 | 68,5 | 63,5 | 107 | 97 | 172,5 | 152 | 160 |
| Номінальний тиск на виході, МПа | 6,3 | 16 | 6,3 | 16 | 6,3 | 16 | 6,3 | 16 | 12,5 |
| Маса, кг | 23,5 | 42,8 | 56 | 98 | |||||
Також виробляються спарені (здвоєні) гідронасоси НПлР, технічні характеристики яких знаходяться в таблиці нижче.
| Модель | НПлР 20/16 + НПлР 20/16 | НПлР 50/16 + НПлР 20/16 | НПлР 50/16 + НПлР 50/16 | НПлР 80/16 + НПлР 20/16 | НПлР 80/16 + НПлР 50/16 | НПлР 80/16 + НПлР 80/16 | НПлР 125/16 + НПлР 20/16 | НПлР 125/16 + НПлР 50/16 |
НПлР 125/16 + НПлР 80/16 |
| Номінальний робочий об'єм, см³ | 20 + 20 | 50 + 20 | 50 + 50 | 80 + 20 | 80 + 50 | 80 + 80 | 125 + 20 | 125 + 50 | 125 + 80 |
| Номінальна подача, л/хв. | 24,0+24,0 | 63,5+24,0 | 63,5+63,5 | 97,0+24,0 | 97,0+63,5 | 97,0+97,0 | 152,0+24,0 | 152,0+63,5 | 152,0+97,0 |
| Номінальний тиск на виході, МПа | 16 | ||||||||
| Маса, кг | 57 | 76,3 | 95,6 | 89,5 | 108,8 | 122 | 131,5 | 150,8 | 164 |

| Розмір, мм | B | L | H | H1 | H2 | b | b1 | b2 | d1 | d2 | d3 | L1 | L2 | L3 |
| НПлР 20 | 182 | 215 | 280 | 120 | 151 | 8 | 99 | 79 | 100 | 125 | 12 | 28 | 17 | 28 |
| НПлР 50 | 221 | 282 | 335 | 150 | 172 | 10 | 115 | 92 | 125 | 160 | 14 | 36 | 17,5 | 38 |
| НПлР 80 | 237 | 289 | 351 | 180 | 184 | 10 | 123 | 104 | 160 | 200 | 18 | 43 | 33 | 38 |
| НПлР 125 | 275 | 376 | 465 | 230 | 252 | 14 | 130 | 118 | 200 | 250 | 22 | 57 | 39 | 50 |
| НПл | Р | 20 | / | 16 | УХЛ4 | ||||
| УХЛ4 — кліматичне виконання та категорія розміщення | |||||||||
| Максимальний робочий тиск: 6,3 — 6,3 МПа; 12,5 — 12 МПа; 16 — 16 МПа. |
|||||||||
| Робочий об'єм: 20 — 20 см³; 50 — 50 см³; 80 — 80 см³; 125 — 125 см³. |
|||||||||
| Р — регульований | |||||||||
| НПл — пластинчастий насос | |||||||||
Придбати гідронасос НПлР або насос іншого типу ви можете у нашому інтернет-магазині "Промислова гідравліка". У нашому каталозі оптимальні ціни та якісні моделі. Якщо вам потрібна допомога у підборі лопатевого гідронасосу, то наші фахівці нададуть вам кваліфіковану консультацію. Телефонуйте за вказаними телефонами.