18 760 ₴
Італійські теплообмінники OMT відрізняються високою ефективністю та відмінною якістю.
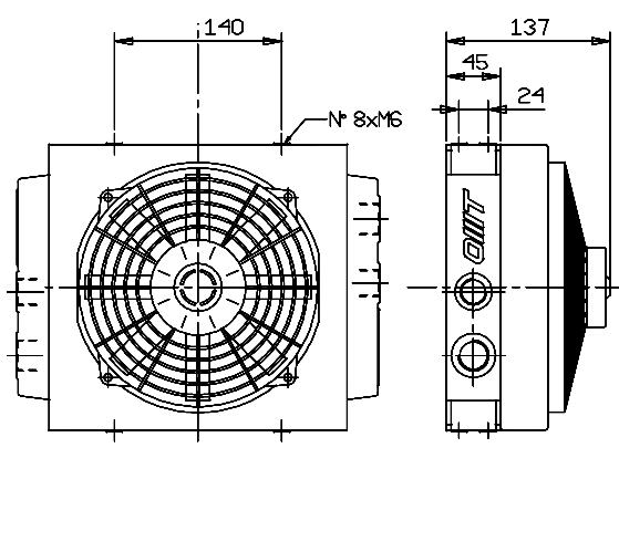
Повітряний теплообмінник OMT ST502400A використовується в гідравлічних системах для охолодження робочої рідини (мінеральної олії), а також виведення зайвого тепла із системи. Робочим середовищем є повітря. За допомогою потужного обдування маслоохолоджувач швидко охолоджує робочу рідину та стабілізує роботу всієї гідросистеми.
Встановлюється теплообмінник OMT ST502400A на спецтехніку:
Конструкція теплообмінників досить проста: корпус з кришкою, радіатор та вентилятор.
Фахівці ТОВ "Промислова гідравліка" рекомендують встановлювати додаткові очисні модулі для того, щоб захистити внутрішню конструкцію теплообмінника та продовжити термін його служби.
Наші спеціалісти проводять технічні консультації у телефонному режимі. Зв'яжіться з нами в будь-який зручний для Вас час.
| Параметри | Значення |
| Частота | постійний струм |
| Вольтаж | 24В |
| Витрата | 10-80 л/хв |
| Потужність | 0,08 кВт |
| Швидкість обертання | 3790 об/хв |
| Діаметр вентилятора | 190 мм |
| Різьба | G3/4" |
| Потік повітря | 714 м3/год |
| Літраж | 0,48 л |
| Номінальний робочий тиск | 25 Бар |
| Максимальний робочий тиск | 35 Бар |
| Захист | IP-68 |
| Матеріал корпусу | алюміній |
| Робоча температура | +10°С до +120°С |
| Вага | 6,5 кг |


Наша компанія ТОВ "Промислова гідравліка" займається реалізацією якісного гідравлічного обладнання багато років. За весь період нашої роботи ми зарекомендували себе як надійний постачальник продукції міжнародних брендів. З нами воліють співпрацювати тисячі компаній із кількох причин:
Щоб купити повітряний теплообмінник OMT:
Також у нас можно купити Повітряний теплообмінник OMT ST602400A 24В, 20-130 л/хв (маслоохолоджувач).
| Основні | |
|---|---|
| Країна виробник | Італія |
| Виробник | OMT |
| Теплова потужність | 0.08 кВт |
| Тип з'єднання теплообмінника | різьба |
| Максимальна робоча температура | 120 град. |
| Мінімальна робоча температура | 10 град. |
| Маса порожнього | 6.5 кг |
| Гарантійний термін | 12 міс |
| Габаритні розміри | |
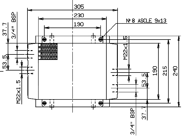
| Ширина | 137 мм |
| Довжина | 305 мм |
| Висота | 240 мм |