



10 930 ₴
Гідромотори серії MP виробляються болгарською компанією M+S Hydraulic за ліцензією Sauer Danffos, тому є повним аналогом гідромоторів ОМР.
Гідромотор MP 315 CD/4 має середню потужність і швидкість обертання, відрізняється компактністю і малошумною роботою. Розподільний клапан мотора — золотник, який підтримується гідродинамічними підшипниками, що мають необмежений ресурс, за умови їх роботи в межах допустимого діапазону навантажень.
Застосовується ця модель у конвеєрах, сільськогосподарській та комунальній техніці, металообробних верстатах, текстильних машинах.
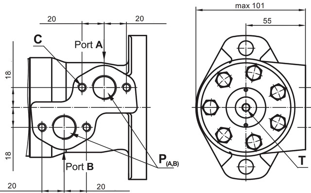
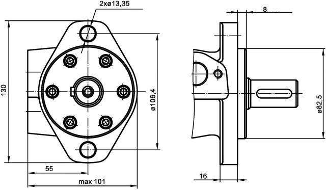
У стандартній комплектації гідромотор MP315CD/4 поставляється з овальним фланцем із двома отворами для кріплення діаметром 13,35 мм. Відстань між цими отворами становить 106,4 мм, а діаметр замку фланця – 82,5 мм. Вал даного мотора циліндричний діаметром 25 мм і призначений для призматичної шпонки. Довжина валу – 43,2 мм. Порти для подачі знаходяться збоку на корпусі двигуна і мають різьблення G1/2". Порт для зливу масла в бак має різьблення G1/4" і знаходиться на задній кришці двигуна. Гідромотор комплектується ущільненням валу.




|
Тип |
Героторний гідромотор |
|
Виробник |
M+S Hydraulic |
|
Країна виробник |
Болгарія |
|
Робочий об'єм, см3 |
316,8 |
|
Порт А-В |
G1/2" |
|
Порт T |
G1/4'' |
|
Швидкість обертання, об/хв |
190-236 |
|
Мінімальна швидкість обертання, об/хв |
10 |
|
Витрата рідини, л/хв |
60-75 |
|
Крутний момент, Hm |
480-560 |
|
Робочий тиск, Бар |
175-225 |
|
Потужність, кВт |
7,6-9,0 |
|
Кінематична в'язкість робочої рідини, кв. мм/с |
20-75 |
|
Робоча температура, °С |
-40-140 |
|
Тонкість фільтрації, µm |
25 |
|
Вага, кг |
7,2 |

Для замовлення також доступні гідромотори з опціями:
В наявності є мотор з робочим об'ємом 396 см3
Позначення гідромоторів серії MM

Гідромотори виробництва M+S Hydraulic вирізняються високою якістю. Компанія M+S Hydraulic розпочала виробництво у 1963 р. Зараз вона завоювала довіру клієнтів і стала одним із світових лідерів у виробництві гідравлічних двигунів та гідростатичних кермових агрегатів. Продукція компанії сертифікована за стандартом ISO 9001. Суворий контроль якості на всіх етапах виробництва гарантує високу якість та надійність продукції.
Якщо вам важко визначитися з вибором, то наші фахівці нададуть кваліфіковану консультацію, допоможуть підібрати та купити MP 315 CD/4 або гідромотор іншого типу, який підходить для вашого обладнання або техніки. Завжди раді вам. Заходьте та купуйте!
| Основні | |
|---|---|
| Виробник | M+S Hydraulic |
| Країна виробник | Болгарія |
| Стан | Новий |
| Тип | Гідромотор |
| Тип розподільника | Золотниковий |
| Тип гідромотора | Героторний |
| Конструктивне виконання | Моноблочне |
| Номінальний тиск | 17.5 МПа |
| Максимальний робочий тиск | 22.5 МПа |
| Номінальна витрата рідини | 60 л/хв |
| Максимальна витрата рідини | 75 л/хв |
| Мінімальна частота обертання валу | 10 об/хв |
| Номінальна частота обертання валу | 190 об/хв |
| Максимальна частота обертання валу | 236 об/хв |
| Мінімальна кінематична в'язкість робочої рідини | 20 кв. мм/с |
| Максимальна кінематична в'язкість робочої рідини | 75 кв. мм/с |
| Мінімальний робочий тиск | 17.5 МПа |
| Максимальний крутний момент | 560 H*m |
| Робочий об'єм | 316.8 куб. см |
| Гарантійний термін | 12 міс |
| Додаткові характеристики | |
| Мінімальна кінематична в'язкість речовини | 20 кв.мм/с |
| Максимальна кінематична в'язкість речовини | 75 кв.мм/с |
| Мінімальна температура робочої рідини | -30 град. |
| Максимальна температура робочої рідини | 140 град. |
| Точність фільтрації | 25 мкм |
| Габаритні розміри | |
| Вага | 7.2 кг |