3 410 ₴
Ручні насоси Badestnost популярні серед клієнтів нашої компанії завдяки оптимальній ціні та високій якості.
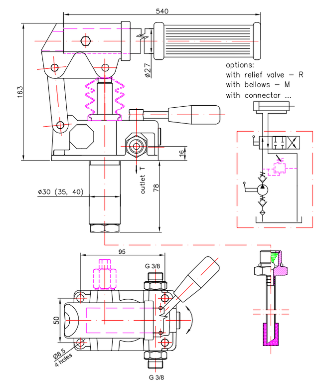
Ручний насос Badestnost PRBD45M — це насос з ручним керуванням. Його не потрібно підключати до електрики або коробки відбору потужності (КОМ). Належить до класу двосторонніх насосів. Основне його завдання полягає в реверсуванні потоку робочої рідини з поршневої в штокову область і навпаки.
Використовується як аварійний насос у гідравлічних системах. Використовується в тому випадку, якщо основний насос вийшов із ладу.
Також насос використовується в:
Конструкція насоса складається з:
Далі в таблиці вказані основні технічні характеристики насосу Badestnost PRBD45M:
| Параметри | Значення |
| Робочий об'єм | 45 см3 |
| Робочий тиск | 160 Бар |
| Вага | 4,3 кг |
З усіх технічних питань зв'яжіться з нами в телефонному режимі.

ТОВ "Промислова гідравліка" реалізує якісне гідравлічне обладнання на території України. В асортименті нашої компанії представлено багато відомих міжнародних брендів. Серед наших клієнтів заводи, великі промислові підприємства та невеликі компанії.
Переваги співробітництва з ТОВ "Промислова гідравліка":
Купити ручний насос Badestnost PRBD45M можна наступними способами:
Вам може знадобитися Ручний двосторонній насос Badestnost PRBD45RM із запобіжним клапаном (45 см3).
| Основні атрибути | |
|---|---|
| Виробник | Badestnost |
| Країна виробник | Болгарія |
| Максимальний тиск | 160 бар |
| Тип гідравлічного насоса | ручний |
| Кількість ступенів нагнітання тиску | 2 |