


7 000 ₴
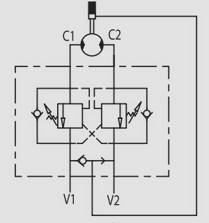
Гальмівний клапан VBCDF 1/2" DE OMS SF, вироблений Oleodinamica Marchesini, використовується для управління рухом приводу і його блокування в обох напрямках, а також для обмеження максимального тиску у разі ударів, створених навантаженнями або перевантаженнями. Він ефективно запобігає виникненню кавітації в гідроприводі. Клапан із лінією розблокування гідравлічного гальма. Фланець ідеально підходить для двигунів Danfoss типу OMS і забезпечує максимальну безпеку при низькому тиску.
Налаштування клапана має бути як мінімум в 1,3 рази більше, ніж тиск навантаження, щоб клапан міг закритися навіть при максимальному тиску навантаження. Заводське налаштування – 320 Бар.
|
Характеристика |
Параметр |
|
Тип |
Гальмівний клапан |
|
Тип монтажа |
Трубний |
|
Корпус |
Оцинкована сталь |
|
Внутрішні частини |
Загартована сталь |
|
Ущільнення |
стандарт BUNA N |
|
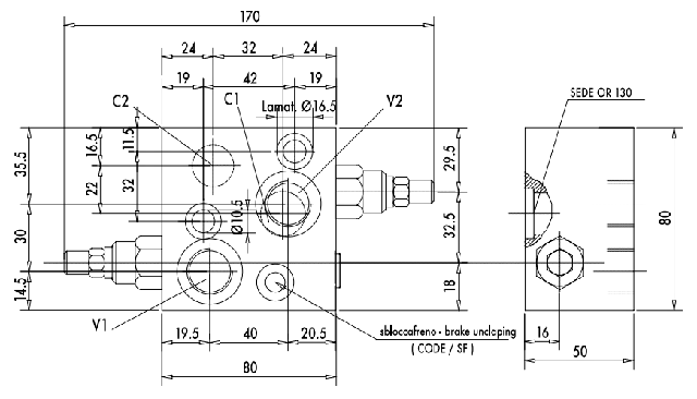
Приєднувальне різьблення (V1-V2) |
1/2" |
|
Співвідношення площ |
1:4,5 |
|
Макс. витрата, л/хв. |
50 |
|
Макс. робочий тиск, Бар |
350 |
|
C1-C2 |
Ø9 |
|
Довжина, мм |
170 |
|
Висота, мм |
80 |
|
Ширина, мм |
50 |
|
Вага, кг |
2,150 |


Перепад тиску на клапані в залежності від витрати

Купити клапан із розблокуванням гальма VBCDF 1/2" DE OMS SF ви можете в нашому інтернет-магазині. Ми спеціалізуємося на виробництві та продажу сертифікованого гідрообладнання та комплектуючих, що забезпечує оптимальні ціни та високу якість товарів, представлених у нашому каталозі. Щоб отримати детальну консультацію або зробити замовлення, просимо вас зв'язатися з нами по телефону або залишити заявку на сайті.
| Основні атрибути | |
|---|---|
| Виробник | Oleodinamica Marchesini |
| Країна виробник | Італія |
| Основні | |
| Гарантійний термін | 12 |
| Матеріал корпусу | Сталева |
| Мінімальний робочий тиск | 1 |
| Максимальний робочий тиск | 350 |
| Тип приєднання | Різьбове |
| Вага | 2.15 кг |
| Робоче середовище | Нафтопродукти |
| Спосіб монтажу | Горизонтальний/вертикальний |
| Функціональне призначення клапана | Регулюючий клапан |
| Напрямок потоку в клапані | Прохідне |
| Дистанційне управління | Немає |
| Максимальна робоча температура | 50 град. |
| Габаритні розміри | |
| Висота | 80 мм |
| Ширина | 50 мм |
| Довжина | 170 мм |