
6 950 ₴
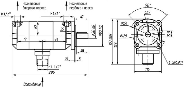
Гідронасос НПл 16-25/6.3 об'єднує два насоси НПл 16/6.3 та НПл 25/6.3, тобто у його корпусі встановлені робочі комплекти цих двох насосів. У нього загальний всмоктуючий отвір, а нагнітання олії здійснюється двома незалежними потоками. Застосовується він у гідроприводах металорізальних, метало- та деревообробних верстатів, пресів та іншого обладнання, де потрібний тиск 6.3 МПа та нерегульований потік оливи з постійним тиском. Цей насос відноситься до габариту 1+1. Принцип роботи цієї моделі такий, як і однопотокового насосу. Напрямок обертання валу — правий. Термін служби насоса, встановлений виробником, становить 10000 мотогодин.
Попередня версія даного насоса — 12Г12-32 М з частковою взаємозамінністю.
Технічні характеристики насоса аналогічні відповідним моделям однопотокових насосів, а його потужність дорівнює сумі потужностей кожного з цих насосів.
| Параметри | Значення |
| Напрямок обертання | правий |
| Габарит | 1+1 |
| Номінальний робочий об'єм, см3 | 16-25 |
| Номінальна подача, л/хв | 12,7-21,1 |
| Номінальний тиск на виході, МПа | 6,3 |
| Абсолютний тиск на вході, МПа: | |
| - мінімальний | 0,08 |
| - максимальний | 0,12 |
| Частота обертання, об/хв: | |
| - номінальна | 960 |
| - максимальна | 1500 |
| - мінімальна | 600 |
| Номінальна потужність, кВт | 4,7 |
| Коефіцієнт подачі, %, щонайменше | 88 |
| ККД, %, не менше | 78 |
| Маса, кг | 19 |
| Робоча рідина | Мінеральна олива ІГП-38, ВНДІ НП-403 |
| Кінематична в'язкість, мм2/с | 20 – 400 |
| Температура оливи, º С | -10 – +60 |
| Тонкість фільтрації, мкм | 25 |
| Чистота | не грубіше 12-го класу |
Всмоктуючий отвір — конічна різьба К1 1/2", нагнітаючі отвори 1-го та 2-го насосу — К1/2".
| Умовне позначення | Розшифровка |
| НПл | Насос пластинчастий |
| 16 | Робочий об'єм 1-го насоса, см3 |
| 25 | Робочий об'єм 2-го насоса, см3 |
| 6,3 |
Номінальний тиск на виході, МПа |
| УХЛ |
Кліматичне виконання (помірний чи прохолодний клімат) |
| 4 | Категорія розміщення |
Дивіться інші моделі насосів НПл 6,3 МПа
Купити насос НПл 16-25/6,3 з гарантією 12 міс. Ви можете прямо зараз, натиснувши на кнопку "Купити", або зателефонуйте по одному із зазначених телефонів. Якщо вам потрібна консультація, співробітники компанії "Промислова гідравліка" із задоволенням її нададуть. Завжди раді вам. Заходьте!
| Основні | |
|---|---|
| Виробник | Гідропривід |
| Номінальна пропускна здатність | 5.8 куб.м/год |
| Робочий об'єм | 8 куб. см |
| Тип пластинчатого насосу | Двопоточний |
| Напрямок обертання | Праве |
| Номінальний тиск на виході | 6.3 МПа |
| Максимальний тиск на вході | 0.12 МПа |
| Мінімальний тиск на вході | 0.08 МПа |
| Номінальна частота обертання валу | 960 об/хв |
| Максимальна частота обертання валу | 1500 об/хв |
| Мінімальна частота обертання валу | 500 об/хв |
| Максимальна кінематична в'язкість робочої рідини | 400 кв. мм/с |
| Мінімальна кінематична в'язкість робочої рідини | 20 кв. мм/с |
| Максимальна температура робочої рідини | 60 град. |
| Мінімальна температура робочої рідини | -10 град. |
| Регульований насос | Ні |
| Коефіцієнт корисної дії | 58 % |
| Рівень шуму | 80 дБ |
| Вага | 19 кг |
| Гарантійний термін | 12 міс |