

3 710 ₴
Клапан SV10PB140 — зворотний клапан з пілотним керуванням тарілчастого типу, призначений для установки на плиті. Він застосовується для герметичного блокування одного порту приводу, включаючи тривалі періоди простою. Для забезпечення активного відкриття клапана важливі як умови тиску на обох сторонах керуючого клапана, так і співвідношення площ сідла і тарілки. Ці клапани призначені для ізоляції робочих ланцюгів, що знаходяться під тиском, щоб запобігти перевантаженню при обриві лінії або повзучий рух приводів із гідравлічним блокуванням. Клапан без функції декомпресії. Корпус литий фосфатований, ущільнення NBR.
Гідравлічна схема (внутрішній злив оливи)

| Параметри | Значення |
| Умовний прохід, мм | 10 |
| Максимальний робочий тиск, МПа | 31,5 |
| Тиск відкриття, МПа | 0,15 |
| Макс. витрата робочої рідини, л/хв. | 150 |
| Температура робочої рідини, °C | -30..80 |
| Фільтрування, мкм | 10 |
| Співвідношення площ – поверхня тарілчастого клапана/поверхня поршня | 1:2,8 |
| Співвідношення площ – поверхня сідла кулі з пілотним отвором/поверхня поршня | 1:12,2 |


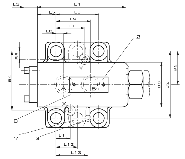
1. Порт Y (для клапана SV цей порт закритий)
2. Заводська табличка
3. Фіксуючий штифт
4. Кільця ущільнювачів
• для портів A та B
• для портів X та Y
5. Клапан із тиском відкриття, версії «1» та «2» (розмір L2)
6. Клапан із тиском відкриття, версії «3» та «4» (розмір L3)
7. Отвори для кріплення
8. Місце підключення до ISO 5781


1. Діапазон розкиду
2. Тарілчастий клапан
3. Граничне значення
4. Декомпресія
Компанія є виробником гідравлічного обладнання та офіційним представником популярних брендів, що гарантує доступні ціни, якісну сертифіковану продукцію, а також швидку доставку.
На наших складах завжди є достатня кількість товару, тому доставка із Запоріжжя в будь-який регіон України буде оперативною та найчастіше безкоштовною. Замовляйте!
| Основні | |
|---|---|
| Країна виробник | Італія |
| Стан | Новий |
| Тип | Гідроклапан |
| Умовний прохід | 10 мм |
| Максимальний робочий тиск | 31.5 МПа |
| Максимальна витрата рідини | 150 л/хв |
| Гарантійний термін | 12 міс |
| Додаткові характеристики | |
| Мінімальна температура робочої рідини | -30 град. |
| Максимальна температура робочої рідини | 80 град. |
| Тип приєднання | Стикове |
| Точність фільтрації | 10 мкм |
| Габаритні розміри | |
| Ширина | 84 мм |
| Довжина | 116.3 мм |
| Висота | 51 мм |