
3 120 ₴
Z1S10P130 — зворотний клапан модульного монтажу, який застосовується для роботи з гідророзподільниками. Він забезпечує вільний прохід робочої рідини в одному напрямку та закриває прохід у зворотному. Клапан може бути встановлений у будь-якому положенні щодо приєднувальної плити, виступаючи як проміжний елемент між плитою і гідророзподільником. Корпус клапана литий оксидований.
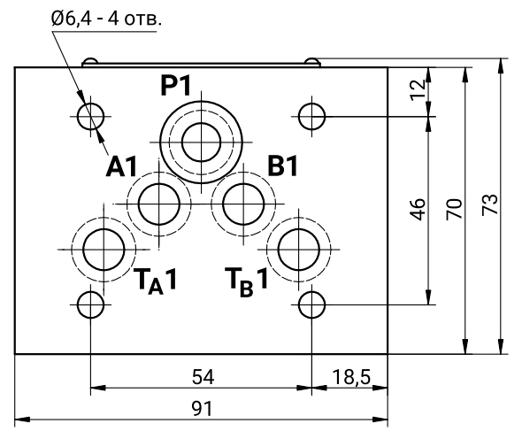
Даний клапан розміщений в порту Р і закритий з порту Р1 у Р2.
Гідравлічна схема Z1S10P

У корпусі 1 встановлена втулка 3 з гніздом для пружини 4. Пружина підтискає конус 2 до краю отвору Р в корпусі 1. Коли в каналі Р перепад тиску перевищує тиск відкриття, контрольований пружиною, конус зміщується, забезпечуючи вільний потік в цій лінії.

| Параметри | Значення |
| Умовний прохід, мм | 10 |
| Максимальний робочий тиск, МПа | 32 |
| Давление открытия, МПа | 0,05 |
| Макс. швидкість потоку, л/хв. | 100 |
| Вага, кг | 1,8 |
| Гідравлічна рідина | Мінеральна олива або ефір фосфорної кислот |
| Температура робочої рідини, °C | –20 … +70 |
| Номінальна в'язкість рідини, мм2/с | 37 при температуре 55 °C |
| Діапазон в'язкості, мм2/с. | 2,8–380 |
| Рекомендована фільтрація рідини, мкм | 10 |




Можливо, вас зацікавить зворотний клапан ДУ16
Компанія є виробником гідравлічного обладнання та офіційним представником популярних брендів, що гарантує доступні ціни, якісну сертифіковану продукцію, а також швидку доставку. На наших складах завжди є достатня кількість товару, тому доставка із Запоріжжя в будь-який регіон України буде оперативною та часто безкоштовною. Замовляйте!
| Основні | |
|---|---|
| Країна виробник | Італія |
| Стан | Новий |
| Тип | Гідроклапан |
| Умовний прохід | 10 мм |
| Максимальний робочий тиск | 32 МПа |
| Максимальна витрата рідини | 100 л/хв |
| Гарантійний термін | 12 міс |
| Додаткові характеристики | |
| Мінімальна температура робочої рідини | -20 град. |
| Максимальна температура робочої рідини | 70 град. |
| Тип приєднання | Стикове |
| Точність фільтрації | 10 мкм |
| Габаритні розміри | |
| Вага | 1.8 кг |
| Ширина | 73 мм |
| Довжина | 91 мм |
| Висота | 40 мм |