



8 590 ₴
Z2S22-1-30 є гідрозамком модульного монтажу з пілотним керуванням, в корпусі якого об'єднані два зворотних керованих клапани. Корпус литий оксидований. Клапан використовується для перекриття потоку масла в одному напрямку (з можливістю контролю його відкриття) і забезпечення вільного потоку в протилежному напрямку.
Даний гідрозамок застосовується для наступних цілей:
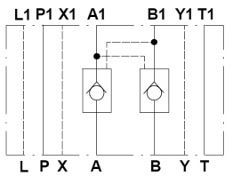
Гідравлічна схема Z2S22
Зворотний клапан у каналах A та B

| Параметри | Значення |
| Умовний прохід, мм | 22 |
| Робочий тиск, МПа | 31,5 |
| Тиск відкриття, МПа | 0,15 |
| Макс. швидкість потоку, л/хв. | 360 |
| Вага, кг | 12,8 |
| Температура робочої рідини, °C | –30 … +80 |
Також в наявності зворотний клапан серії Z2S16



Компанія є виробником гідравлічного обладнання та офіційним представником популярних брендів, що гарантує доступні ціни, якісну сертифіковану продукцію, а також швидку доставку. На наших складах завжди є достатня кількість товару, тому доставка із Запоріжжя в будь-який регіон України буде оперативною та часто безкоштовною. Замовляйте!
| Основні | |
|---|---|
| Країна виробник | Італія |
| Стан | Новий |
| Тип | Гідроклапан |
| Умовний прохід | 22 мм |
| Максимальний робочий тиск | 31.5 МПа |
| Максимальна витрата рідини | 360 л/хв |
| Гарантійний термін | 12 міс |
| Додаткові характеристики | |
| Мінімальна температура робочої рідини | -30 град. |
| Максимальна температура робочої рідини | 80 град. |
| Тип приєднання | Стикове |
| Габаритні розміри | |
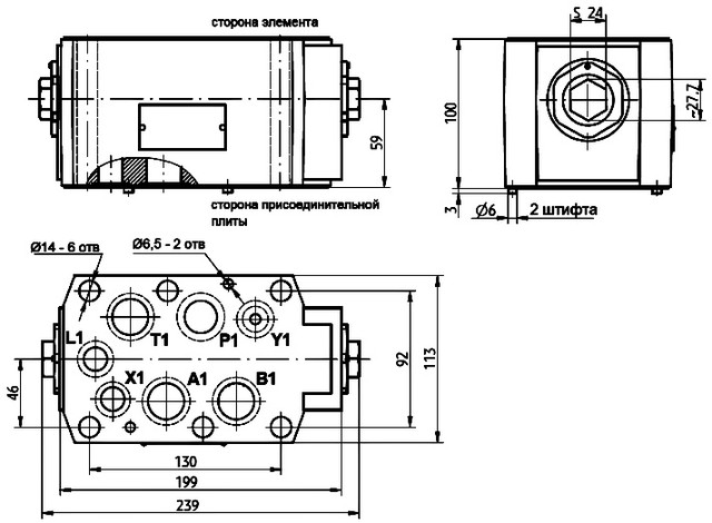
| Вага | 12.8 кг |
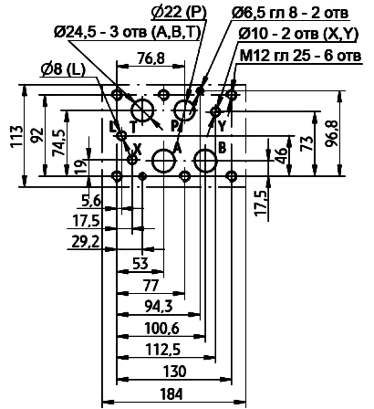
| Ширина | 113 мм |
| Довжина | 239 мм |
| Висота | 103 мм |