3 970 ₴
ZDR6DA30-2-210Y — триходовий редукційний клапан прямої дії зі зворотним клапаном, який використовується для зниження та підтримки тиску постійним у певній частині гідравлічного контуру, що знаходиться за клапаном, де небажане зростання тиску. Клапан із внутрішнім пілотом та зовнішнім дренажем. Редукування відбувається в каналі А. Регулювання проводиться за допомогою болта, розташованого під кришкою. Монтаж модульний. Корпус литий оксидований. Ущільнення NBR.
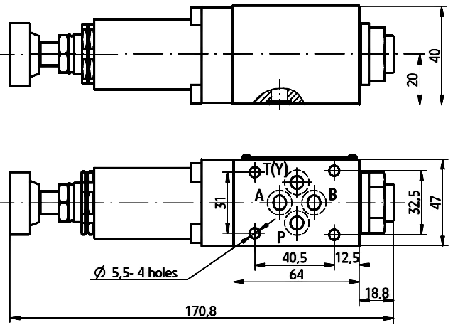
Габаритні розміри клапана ZDR6:
Гідравлічна схема ZDR6

| Параметри | Значення |
| Умовний прохід, мм | 6 |
| Макс. витрата робочої рідини, л/хв. | 30 |
| Макс. робочий тиск, МПа | 21 |
| Температура робочої рідини, °C | -20..80 |
| Вага, кг. | 1,3 |




Компанія є виробником гідравлічного обладнання та офіційним представником популярних брендів, що гарантує доступні ціни, якісну сертифіковану продукцію, а також швидку доставку. На наших складах завжди є достатня кількість товару, тому доставка із Запоріжжя в будь-який регіон України буде оперативною та часто безкоштовною. Замовляйте!
| Основні | |
|---|---|
| Країна виробник | Італія |
| Стан | Новий |
| Тип | Гідроклапан |
| Умовний прохід | 6 мм |
| Максимальний робочий тиск | 21 МПа |
| Максимальна витрата рідини | 30 л/хв |
| Гарантійний термін | 12 міс |
| Додаткові характеристики | |
| Мінімальна температура робочої рідини | -20 град. |
| Максимальна температура робочої рідини | 80 град. |
| Тип приєднання | Стикове |
| Габаритні розміри | |
| Вага | 1.3 кг |
| Ширина | 47 мм |
| Довжина | 170.8 мм |
| Висота | 40 мм |