


1 470 ₴
Гідравлічні монтажні плити є базою для модульного складання гідравлічних систем. Вони є спеціальними блоками з отворами, призначеними для встановлення різних гідравлічних компонентів, таких як розподільники, клапани та інші елементи.
Переваги використання монтажних плит:
Надійність:
Ефективність:
Практичність:
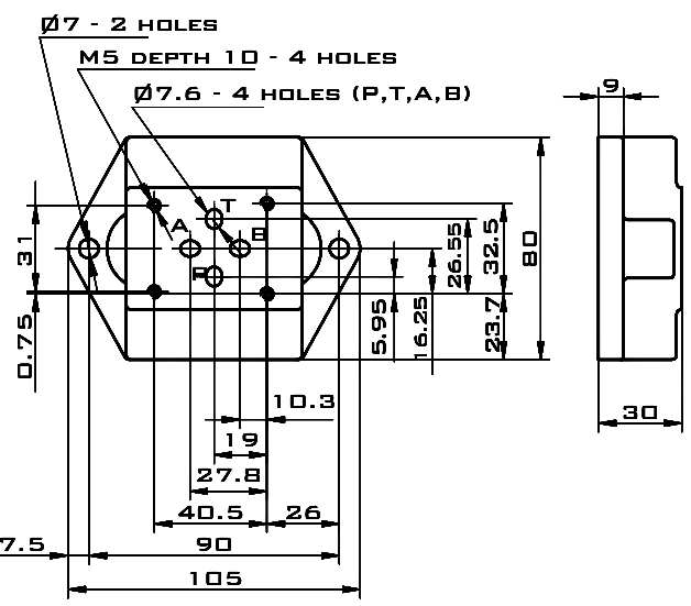
Приєднувальна плита 4WE6 G3/8 з різьбовими з'єднаннями портів А, В, Р і Т G3/8", призначена для трубного монтажу гідророзподільників плитового приєднання Ду6.


Компанія є виробником гідравлічного обладнання та офіційним представником популярних брендів, що гарантує доступні ціни, якісну сертифіковану продукцію, а також швидку доставку. На наших складах завжди є достатня кількість товару, тому доставка із Запоріжжя в будь-який регіон України буде оперативною та часто безкоштовною. Замовляйте!
| Основні | |
|---|---|
| Країна виробник | Італія |
| Стан | Новий |
| Умовний прохід | 6 мм |
| Максимальний робочий тиск | 32 МПа |
| Додаткові характеристики | |
| Тип приєднання | Різьбове |
| Габаритні розміри | |
| Ширина | 80 мм |
| Довжина | 105 мм |
| Висота | 30 мм |