



10 140 ₴
Гідравлічні монтажні плити є базою для модульного складання гідравлічних систем. Вони є спеціальними блоками з отворами, призначеними для встановлення різних гідравлічних компонентів, таких як розподільники, клапани та інші елементи.
Надійність:
Ефективність:
Практичність:
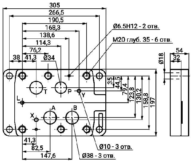
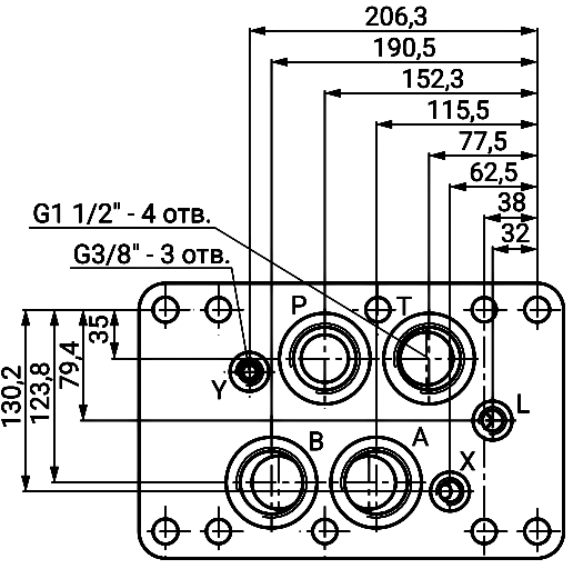
Приєднувальна плита 4WEH32 G1 1/2 з різьбовими з'єднаннями портів А, В, Р і Т G1 1/2", призначена для трубного монтажу гідророзподільників та клапанів плиткового приєднання Ду32 з конфігурацією отворів на монтажній поверхні відповідно до з'єднань.
Максимальний робочий тиск: 35 МПа. Різьбове з'єднання: G1 1/2".
Гідравлічні елементи, які можна використовувати для монтажу на плиті G157/01:
В наявності також плита 4WEH25 G 1 1/2


Компанія є виробником гідравлічного обладнання та офіційним представником популярних брендів, що гарантує доступні ціни, якісну сертифіковану продукцію, а також швидку доставку. На наших складах завжди є достатня кількість товару, тому доставка із Запоріжжя в будь-який регіон України буде оперативною та часто безкоштовною. Замовляйте!
| Основні | |
|---|---|
| Країна виробник | Італія |
| Стан | Новий |
| Умовний прохід | 32 мм |
| Максимальний робочий тиск | 35 МПа |
| Додаткові характеристики | |
| Тип приєднання | Різьбове |
| Габаритні розміри | |
| Ширина | 197 мм |
| Довжина | 305 мм |
| Висота | 54 мм |