


31 600 ₴
Шестеренні насоси серії POLARIS — це надійні, високоефективні та малошумні пристрої, що забезпечують стабільну роботу гідравлічних систем.
Переваги насосів POLARIS:
Насоси PLP30 широко використовуються в різних областях, включаючи будівництво, сільське господарство, обробку матеріалів, лісове господарство, догляд за газонами (у тому числі в газонокосарках), а також для вентиляторів.
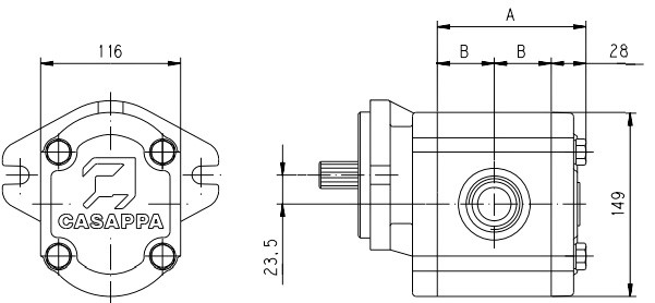
PLP30.61D0-83E3-LED/EB, PLP30.73D0-83E3-LEF/ED — це шестерні однонаправлені гідронасоси 3-ї групи, оснащені валом з правостороннім обертанням та бічними портами. Дана версія насоса без зовнішнього підшипника.

Основні характеристики:
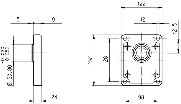
Можливі різні комбінації приводних валів та монтажних фланців. Фланець Е3 сумісний з валами: 83, 41, 04, 05, 32, 33, A5, A8.
Наявність даних валів уточнюйте у менеджера за телефоном, вказаним на сайті.

|
Параметри
|
Тип |
|
|
PLP30.61 |
PLP30.73 |
|
|
Робочий об'єм, см3/об |
61,26 |
73,82 |
|
Постійний робочий тиск, Бар |
190 |
170 |
|
Тиск у системі (налаштування запобіжного клапана), Бар |
210 |
190 |
|
Макс. тиск, Бар. |
220 |
200 |
|
Мін. швидкість обертання, об/хв |
350 |
350 |
|
Макс. швидкість обертання, об/хв |
2500 |
2500 |
|
Гідравлічна рідина |
Гідравлічна рідина на основі мінеральної оливи за ISO/DIN |
|
|
Температура рідини, °C |
-25 - 100 |
|
|
В'язкість, сСт |
12-100 (рекомендується), до 750 (допускається) |
|

|
ТИП |
A, мм |
B, мм |
| PLP30.61 | 131 | 51,5 |
| PLP30.73 | 139 | 55,5 |
Вал конусний 1:8 (83)

Монтажний фланець E3

Розміри портів EB, ED, EF насоса PLP30

В наявності також гідронасоси PLP 30 з робочими об'ємами 38-51 см3


У нашому інтернет-магазині представлений широкий вибір гідравлічних насосів та моторів європейських брендів, що пройшли контроль та відповідають стандартам якості. Вся продукція сертифікована та має гарантію від виробника.
Переваги придбання насосів Casappa Polaris 30 у нас
| Основні | |
|---|---|
| Виробник | Casappa |
| Країна виробник | Італія |
| Стан | Новий |
| Номінальний тиск | 19 МПа |
| Максимальний робочий тиск | 22 МПа |
| Мінімальна частота обертання валу | 350 об/хв |
| Максимальна частота обертання валу | 2500 об/хв |
| Мінімальна кінематична в'язкість робочої рідини | 12 кв. мм/с |
| Максимальна кінематична в'язкість робочої рідини | 100 кв. мм/с |
| Робочий об'єм | 61.26 куб. см |
| Гарантійний термін | 12 міс |
| Додаткові характеристики | |
| Мінімальна кінематична в'язкість речовини | 12 кв.мм/с |
| Мінімальна температура робочої рідини | -25 град. |
| Максимальна температура робочої рідини | 100 град. |
| Тип приєднання | Фланцеве |
| Точність фільтрації | 10 мкм |