
60 203 ₴
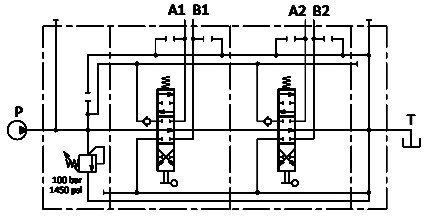
Розподільники серії 100L GS – це секційні гідророзподілювачі від 1 до 12 секцій, які відзначаються компактною конструкцією, простотою експлуатації та високою потужністю. Призначені для гідравлічних систем з відкритим або закритим центром.
Гідророзподільники серії 100L GS випускаються у наступному виконанні:
Ручний золотниковий гідророзподільник 100L GS16/6/AC(X‐220), 100L GS16/8/AC(X‐220) з паралельним контуром оснащений двосторонніми золотниками із пружинним поверненням. Конструкція має шість (100L GS16/6) та вісім (100L GS16/8) робочих секцій у секційному корпусі, комплектується стандартними важелями управління. Ці моделі не призначені під клапани TYPE-U.
Для замовлення доступний гідророзподільник 80L GS10/6/AC(X‐220)
| Параметри | Значення |
| Номінальна витрата | 100 л/хв. |
| Максимальна витрата | 120 л/хв. |
| Робочий тиск (макс) | 315 Бар. |
| Тиск у порту Т (макс) | 25 Бар. |
| Внутрішні перетікання А(В)->Т (∆р=100 Бар масло та клапан 40ºС) | 3 cм³/хв. |
| Гидравлічна олива | Олива на мінеральній основі |
| Температура оливи |
від - 20ºС до 80ºС (з NBR ущільненнями); від - 20ºС до 100ºС (з FPM (VITON) ущільненнями) |
| Робочий діапазон в'язкості | від 15 до 75 сСт |
| Порти Р, А, В | G 3/4" |


| Модель | А, мм | В, мм |
| 100L GS 16/6 | 372 | 296 |
| 100L GS 16/8 | 462 | 386 |
Компанія "Промислова гідравліка" виробляє гідравлічне обладнання та є офіційним представником провідних брендів, що забезпечує доступні ціни, сертифіковану якість та надійність продукції. Постійна наявність товару на складах у Запоріжжі дозволяє виконувати поставки в будь-які регіони України оперативно, а в більшості випадків з безкоштовною доставкою.
| Основні | |
|---|---|
| Виробник | GMS Hydraulic |
| Країна виробник | Туреччина |
| Стан | Новий |
| Тип | Гідророзподільник |
| Тип розподільника | Золотниковий |
| Конструктивне виконання | Секційне |
| Управління | Ручне |
| Максимальний робочий тиск | 31.5 МПа |
| Номінальна витрата рідини | 100 л/хв |
| Максимальна витрата рідини | 120 л/хв |
| Гарантійний термін | 12 міс |
| Кількість золотників | 6 шт. |
| Додаткові характеристики | |
| Мінімальна кінематична в'язкість речовини | 12 кв.мм/с |
| Максимальна кінематична в'язкість речовини | 400 кв.мм/с |
| Мінімальна температура робочої рідини | -20 град. |
| Максимальна температура робочої рідини | 80 град. |
| Тип приєднання | Різьбове |
| Габаритні розміри | |
| Вага | 30.5 кг |