


5 095 ₴
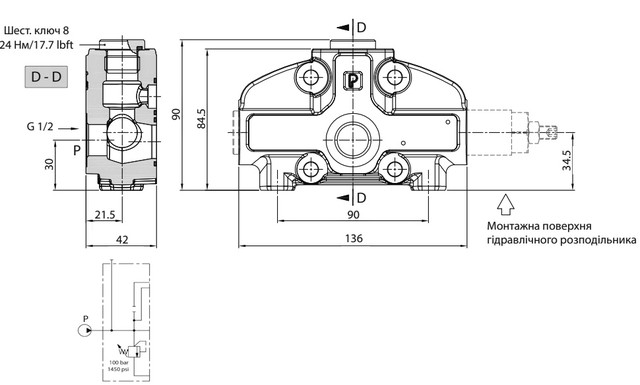
Передня кришка – це вхідний елемент секційного гідророзподільника, через який робоча рідина надходить у розподільник і далі розподіляється по секціях.
Передня кришка типу AC(X‐220) застосовується у складі секційних гідророзподільників серії 80L GS та виконує функцію захисту гідророзподільника від потрапляння внутрішніх забруднень.
Корпус виконаний з гідрощільного чавуну високої міцності, що забезпечує міцність та герметичність.Вхідний гідравлічний отвір розміром 1/2". У кришку вбудований запобіжний клапан, для захисту гідросистеми від надлишкового тиску. Є монтажні отвори для з'єднання з робочими секціями та кріплення розподільника.
Дана кришка підійде до розподільника 80L GS10/6/AC(X‐220)

Компанія "Промислова гідравліка" виробляє гідравлічне обладнання та є офіційним представником провідних брендів, що забезпечує доступні ціни, сертифіковану якість та надійність продукції. Постійна наявність товару на складах у Запоріжжі дозволяє виконувати поставки в будь-які регіони України оперативно, а в більшості випадків з безкоштовною доставкою.
| Основні | |
|---|---|
| Виробник | GMS Hydraulic |
| Країна виробник | Туреччина |
| Стан | Новий |
| Тип | Гідророзподільник |
| Тип розподільника | Золотниковий |
| Конструктивне виконання | Секційне |
| Управління | Ручне |
| Максимальний робочий тиск | 31.5 МПа |
| Номінальна витрата рідини | 80 л/хв |
| Максимальна витрата рідини | 100 л/хв |
| Гарантійний термін | 12 міс |
| Додаткові характеристики | |
| Мінімальна кінематична в'язкість речовини | 12 кв.мм/с |
| Максимальна кінематична в'язкість речовини | 400 кв.мм/с |
| Мінімальна температура робочої рідини | -20 град. |
| Максимальна температура робочої рідини | 80 град. |
| Тип приєднання | Різьбове |