



6 624 ₴
JSSC100/1-B/01E3-01001A-01001A (30 05 6378) — джойстик, розроблений компанією GMS для точного керування обладнанням, наприклад, у кранах, підйомниках, будівельній техніці та іншому промисловому устаткуванні. Він призначений для роботи в складних умовах, тому його конструкція дуже надійна та довговічна.
Джойстиковий модуль керування JSSC100/1-B/01E3-01001A-01001A — це спеціалізований орган керування, який використовується для дистанційного ручного керування секційними гідророзподільниками серій 100L GS та аналогічних моделей.Він забезпечує оператору зручність роботи та точний контроль над виконавчими гідравлічними механізмами.
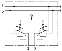
Даний джойстик являє собою однофункціональну конфігурацію з бічними портами P та T. Корпус з високоміцної сталі та армованого пластику, стійкого до вібрацій та механічних навантажень.Рукоятка ергономічна, зручна для роботи протягом тривалого часу.Механізм управління забезпечує плавне переміщення золотників із поверненням до нейтрального положення.Одноосьове управління, тобто. джойстик рухається лише в одному напрямку (вперед-назад або вліво-вправо), що ідеально підходить для простих операцій. Є можливість встановлення електричних вимикачів або кнопок в рукоятці для додаткових функцій. Аналоговий вихідний сигнал (E) може мати різні діапазони напруги або струму, що дозволяє плавно регулювати швидкість або силу руху. Кріплення у передню кришку розподільника.
| Параметри | Значення |
| Номінальна витрата | от 5 до 20 л/хв |
| Максимальний тиск подачі на вхідному порту P | от 30 до 100 бар |
| Максимальний протитиск | 3 бар |
| Макс. гістерезис | 0,5 бар |
| Внутрішній витік (усі порти), при 30 бар, P⇒T | от 5 до 8 см3/мин |
| Температура робочої рідини з ущільненнями з NBR (BUNA-N) | от -10°C до 80°C |
| Температура довкілля (без електричних пристроїв) | от -40°C до 60°C |
| Температура навколишнього середовища (з електроприладами) | от -20°C до 50°C |
| Робоча рідина | Мінеральна олива |
| В'язкість (робочий діапазон) | от 15 до 75 сСт |
| В'язкість мінімальна | 12 мм2/с - 12 сСт |
| В'язкість максимальна | 400 мм2/с - 400 сСт |


Дивіться інші комплектуючі та аксесуари до гідророзподільників GMS
Компанія "Промислова гідравліка" виробляє гідравлічне обладнання та є офіційним представником провідних брендів, що забезпечує доступні ціни, сертифіковану якість та надійність продукції. Постійна наявність товару на складах у Запоріжжі дозволяє виконувати поставки в будь-які регіони України оперативно, а в більшості випадків з безкоштовною доставкою.
| Основні | |
|---|---|
| Виробник | GMS Hydraulic |
| Країна виробник | Туреччина |
| Стан | Новий |
| Номінальний тиск | 3 МПа |
| Максимальний робочий тиск | 10 МПа |
| Номінальна витрата рідини | 5 л/хв |
| Максимальна витрата рідини | 20 л/хв |
| Гарантійний термін | 12 міс |
| Додаткові характеристики | |
| Мінімальна кінематична в'язкість речовини | 12 кв.мм/с |
| Максимальна кінематична в'язкість речовини | 400 кв.мм/с |
| Мінімальна температура робочої рідини | -20 град. |
| Максимальна температура робочої рідини | 80 град. |
| Тип приєднання | Різьбове |