



5 820 ₴
Гідророзподільники Badestnost серії Z – це вдосконалена версія серії P, розроблена для більш точного керування та підвищення продуктивності.
Ключові відмінності та переваги
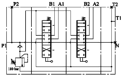
02Z50 A1A1 /Ju + 3/-G — це двосекційний моноблочний гідророзподільник із золотниками А1, ручним джойстиковим керуванням та вбудованим запобіжним клапаном, що оптимально підходить для керування двосторонніми гідроциліндрами або гідромоторами в мобільній та стаціонарній гідравліці. Основна функція пристрою полягає в управлінні рухом виконавчих гідромеханізмів рахунок перенаправлення потоків робочої рідини.
Гідроапарат має моноблочний корпус із високоміцного чавуну, оснащений сталевими золотниками двосторонньої дії без фіксації положеннь. Управління джойстикове, важіль-джойстик для 2 секцій із шарніром внизу зліва, стандартна циліндрична рукоятка.
Розподільник застосовується як у мобільних, так і в стаціонарних гідросистемах:
| Параметри | Значення |
| Конструктивне виконання | Моноблочне |
| Приєднувальні отвори | А, В - G 3/8"; Р, Т - G 1/2" |
| Номінальна витрата | 50 л/хв. |
| Рабочий тиск (макс) | 250 Бар |
| Зворотний тиск (макс.) | 35 Бар. |
| Внутрішній витік (мін.) A(B) к T Δp = 100 бар | 7 см3 /хв |
| Гідравлічна рідина | Мінеральна олива |
|
Температура рідини |
з ущільненнями NBR від -20°C до 80°C |
|
з ущільненнями FPM (Viton) від -20°C до 100°C |
|
| В'язкість, робочий діапазон | від 15 до 75 сСт |
| В'язкість мінімальна | 12 сСт |
| В'язкість максимальна | 400 сСт |
| Допустимий ступінь забруднення рідини | клас 10 |
| Температура довкілля з механічними пристроями | від -40 °C до 60 °C |
| Температура навколишнього середовища з пневматичними та гідравлічними пристроями | від -30 °C до 60 °C |
| Температура довкілля з електричними пристроями | від -40 °C до 60 °C |



-
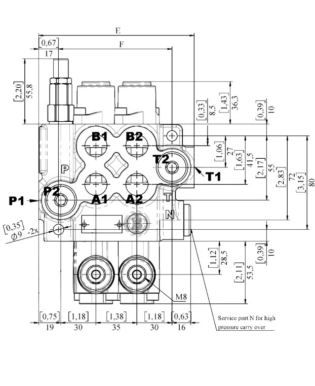
| Модель | E, мм | F, мм | Вага, кг |
| 02Z50 | 133 | 97 | 4,10 |
Болгарська компанія Badestnost з 1978 року спеціалізується на виробництві гідророзподільників та інших компонентів гідравлічних систем. Виробник створив потужну технологічну базу та висококваліфікований колектив, що забезпечує високу якість продукції. Системи менеджменту якості включають сертифікацію за стандартами ISO 9001 (з 2008 року), а також ISO 14001, OHSAS 18001 та ISO 27001, що гарантує надійність, безпеку та відповідність міжнародним вимогам.
ТОВ "Промислова гідравліка" реалізує різні моделі розподільників Бадєстност. Компанія є виробником гідравлічного обладнання та офіційним представником популярних брендів, що гарантує доступні ціни, якісну сертифіковану продукцію. На наших складах завжди є достатня кількість товару, тому доставка із Запоріжжя в будь-який регіон України буде оперативною та часто безкоштовною. Замовте зараз!
| Основні | |
|---|---|
| Виробник | Badestnost |
| Країна виробник | Болгарія |
| Стан | Новий |
| Тип | Гідророзподільник |
| Тип розподільника | Золотниковий |
| Конструктивне виконання | Моноблочне |
| Максимальний робочий тиск | 25 МПа |
| Максимальна витрата рідини | 50 л/хв |
| Гарантійний термін | 12 міс |
| Додаткові характеристики | |
| Кількість робочих позицій | 3 шт. |
| Мінімальна кінематична в'язкість речовини | 12 кв.мм/с |
| Максимальна кінематична в'язкість речовини | 400 кв.мм/с |
| Мінімальна температура робочої рідини | -20 град. |
| Максимальна температура робочої рідини | 80 град. |
| Тип приєднання | Різьбове |
| Точність фільтрації | 10 мкм |
| Кількість золотників | 2 шт. |