25 500 ₴
Отримайте цю позицію безкоштовно при покупці «Пластинчастий насос Г12-26АМ, Г12 26АМ»
Г12-26АМ відноситься до пластинчастим однопоточним насосів. Працюють даний насос на основі мінеральних масел, при температурі навколишнього середовища від 0°C до +50°C. Використовуються пластинчасті насоси для подачі робочої рідини в системах гідравліки. Гідравлічна система в свою чергу використовується у верстатах, пресах, сільській техніки, будівельної техніки або ж подібного роду механізмів.
Що б Г12-26АМ працював так як йому це годиться, варто дотримуватися всіх правил при застосуванні насоса у справі.
Правила використання пластинчастого насосу типу Г12-26АМ:
Всі масла які застосовуються в апараті, варто попередньо очистити від різних частинок.
Якщо в'язкість масла була змінена на 20% то, отже масло варто замінити.
Температура масла не повинна перевищувати більше ніж 70°C.
Так само температура масла не повинна бути нижче 0°C.
У разі якщо масло нижче 0, то воно перетворюється в щільну суміш.
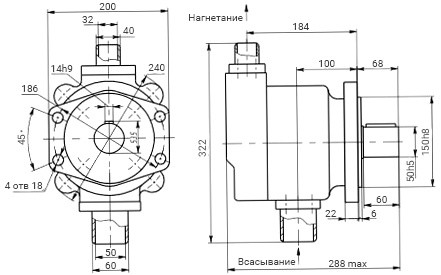
Пластинчастий насос Г12-26АМ, Г12-26А - відноситься до сімейства лопатевих нерегульованих насосів. Напрямок потоку робочої рідини не контролюється і не регулюється. Працює насос на основі чистого мінерального масла. Використовується для подачі масла в гідросистеми промислового обладнання.
Пластинчастий насос Г12-26АМ - це однопотоковий пластинчастий насос.
Чисте мінеральне масло повинне володіти кінематичною в'язкістю від 17 до 400 сСт. Його температура повинна триматися в межах +10 - +50 °С.
Також робоче масло повинно бути відфільтрованим від частинок більше 0,025 мм для нормальної роботи насоса.
Основний напрямок обертання вала Г12 26АМ - праве. Але також існує і ліве виконання (дуже рідко).
| Параметри | Г12 26АМ | |
| Номінальний тиск | 6,3 МПа | |
| Подача робочої рідини | 193 л\хв | |
| Обороти | 960 об/хв | |
| Габарит | 3 | |
| Вага | 40 кг | |

У нас ви можете купити пластинчастий насос Г12-26АМ, Г12-26А за найкращою ціною в Україні. Ми гарантуємо високу якість нашої продукції і швидку поставку товару в будь-яку точку.
Купити пластинчастий насос Г12 26АМ можна будь-яким зручним способом:
за телефонами, які вказані на сайті;
через електронну пошту;
через сайт за допомогою кнопки "Купити".
| Основні | |
|---|---|
| Виробник | Ама |
| Країна виробник | Україна |
| Гарантійний термін | 12 міс |
| Вага | 40 кг |
| Напрямок обертання | Праве |
| Мінімальний тиск на вході | 0.08 МПа |
| Максимальний тиск на вході | 0.012 МПа |
| Номінальний тиск на виході | 6.3 МПа |
| Номінальна частота обертання валу | 960 об/хв |
| Максимальна частота обертання валу | 1450 об/хв |
| Максимальна кінематична в'язкість робочої рідини | 400 кв. мм/с |
| Мінімальна кінематична в'язкість робочої рідини | 10 кв. мм/с |
| Максимальна температура робочої рідини | 70 град. |
| Максимальна температура навколишнього середовища | 50 град. |
| Тип пластинчатого насосу | Однопотоковий |
| Користувальницькі характеристики | |
| Мінімальна частота обертання валу | 600 |