Тандемні (секційні) насоси НШ можуть складатися з 2 або 3 незалежних камер з різним або однаковим робочим об'ємом. Агрегати НШ призначені для нагнітання мінеральної олії та її передачі до виконавчих органів гідравлічних систем. Секційні насоси НШ використовуються на техніці різного призначення:
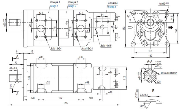
Креслення та технічні характеристики секційних насосів групи 3+2 представлені нижче.

| Позначення | Секція 1 | |||
| НШ32М-3 | ||||
| А | В | С | ||
| Секція 2 | 6 | 67,5 | 157,8 | 182 |
| 10 | 160,8 | 189,2 | ||
| 14 | 160,8 | 189,8 | ||
| 16 | 153,3 | 193 | ||

| Позначення | Секція 1 | |||
| НШ50М-3 | ||||
| А | В | С | ||
| Секція 2 | 6 | 71 | 171,8 | 195,7 |
| 10 | 174,4 | 203,2 | ||
| 14 | 174,8 | 203,8 | ||
| 16 | 179 | 207,1 | ||

| Позначення | Секція 1 | ||||||||||||||
| НШ20М-3 | НШ25М-3 | НШ32М-3 | НШ40М-3 | НШ50М-3 | |||||||||||
| А | В | С | А | В | С | А | В | С | А | В | С | А | В | С | |
| Секція 2 | |||||||||||||||
| 20 | 67,5 | 160,5 | 228 | 67,5 | 164,5 | 232 | 67,5 | 169,5 | 237 | 76 | 185 | 256 | 83,5 | 192,5 | 263 |
| 25 | 167,5 | 236 | 173,5 | 241 | 189 | 260 | 196,5 | 267,5 | |||||||
| 32 | 178,5 | 246 | 194 | 265 | 201,5 | 272,5 | |||||||||
| 40 | 201 | 281 | 208,5 | 288,5 | |||||||||||
| 50 | 296 | ||||||||||||||

| Робочий об'єм | Секція 1 | Секція 2 | Секція 3 |
| 63 | 63 | 32 | |
| 71 | 71 | 50 |
ТОВ "Промислова гідравліка" постачає секційні насоси НШ на промислові підприємства та заводи по всій Україні. Ми співпрацюємо безпосередньо з виробником, тому можемо запропонувати клієнтам оптимальну ціну. Декілька переваг співпраці з нашою компанією: