Насоси MGP2 призначені для генерації гідравлічної енергії за допомогою перетворення механічної енергії на енергію рідини. Вони використовуються в промислових машинах і обладнанні, що вимагають гідравлічної сили, як-от гідравлічні преси, верстати, системи оброблення матеріалів і гідравлічні силові пристрої. Ці насоси відіграють вирішальну роль у харчуванні та керуванні різними гідравлічними системами, забезпечуючи необхідне зусилля для роботи циліндрів, клапанів та інших гідравлічних компонентів.
|
Тиск на вході (макс) |
0,5–2,5 БАР |
|
Мінімальна в'язкість робочої рідини |
10 мм”/БЕС |
|
Максимальна початкова в'язкість (холодний старт) |
1000 мм”/БЕС |
|
Рекомендований діапазон в'язкості рідини |
17 — 65 мм“/БЭС |
|
Діапазон робочих температур рідини С ущільнення NBR |
-40 +100 °С |
|
Діапазон робочих температур рідини С ФПМ segaALS (VITON) |
-20 +170 °C |
|
Гідравлічна рідина |
Мінеральна олива |
|
Клас забруднення ISO 4406 |
18/15 (>200 БАР), 19/16 (<200 БАР) |
|
Клас забруднення NAS 1638 |
9 (>200 БАР), 10 (<200 БАР) |
|
Досягається з фільтром By=75 |
15 мкм (>200 БАР), 25 мкм (<200 БАР) |
|
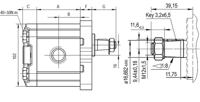
Модель |
Робочий об'єм, см3 |
Макс. робочий тиск, Бар |
Макс. піковий тиск, Бар |
Швидкість обертання вала, об/хв |
Розмір А, мм |
Розмір B, мм |
Всмоктувальний порт |
Напірний порт |
|
MGP2K6R-G262G |
6,3 |
250 |
300 |
700-4000 |
50,2 |
25,1 |
1/2" |
1/2" |
|
MGP2K8R-G262G |
8,2 |
250 |
300 |
700-3500 |
53,2 |
26,5 |
1/2" |
1/2" |
|
MGP2K10R-G262G |
10 |
250 |
300 |
700-3500 |
56 |
28 |
3/4" |
1/2" |
|
MGP2K11R-G262G |
11,3 |
250 |
300 |
600-3500 |
58 |
29 |
3/4" |
1/2" |
|
MGP2K12R-G262G |
12,5 |
250 |
300 |
600-3500 |
59,8 |
29,9 |
3/4" |
1/2" |
|
MGP2K14R-G262G |
14 |
250 |
300 |
600-3500 |
62,1 |
31,1 |
3/4" |
1/2" |
|
MGP2K15R-G262G |
15 |
250 |
300 |
600-3500 |
63,7 |
31,9 |
3/4" |
1/2" |
|
MGP2K16R-G262G |
16 |
250 |
300 |
600-3000 |
65,2 |
32,6 |
3/4" |
1/2" |
|
MGP2K17R-G262G |
17 |
250 |
300 |
600-3000 |
66,9 |
33,5 |
3/4" |
1/2" |
|
MGP2K19R-G262G |
19 |
220 |
270 |
500-3000 |
69,9 |
35 |
3/4" |
1/2" |
|
MGP2K20R-G262G |
20 |
210 |
250 |
500-3000 |
71,4 |
35,7 |
3/4" |
1/2" |
|
MGP2K23R-G262G |
22,5 |
190 |
230 |
500-3000 |
75,3 |
37,7 |
3/4" |
1/2" |
|
MGP2K25R-G262G |
24,8 |
170 |
210 |
500-2500 |
78,8 |
39,4 |
3/4" |
1/2" |
|
MGP2K28R-G262G |
28 |
150 |
190 |
500-2500 |
83,7 |
41,9 |
3/4" |
1/2" |


Компактний розмір, низький рівень шуму, висока ефективність і тривалий термін експлуатації роблять насос MGP2 популярним вибором для різних галузей промисловості. Він добре підходить для використання в невеликих гідравлічних системах, наприклад, у сільськогосподарських машинах, будівельній техніці та транспортних засобах, а також підходить для металургічних, морських, аерокосмічних гідросистем.
ТОВ «Промислова Гідравліка» має в наявності секційні насоси шестистернистого типу: двох і трьохсекційні насоси.
Двосекційні шестерні насоси являють собою тип шестерні насоса, який складається з двох незалежних насосних секцій. Кожна секція містить дві шестерні, які обертаються у протилежних напрямках, створюючи вакуум, що всмоктує рідину в насос. Потім рідина захоплюється і виштовхується із насоса через зачеплення шестерень. Двосекційні гідронасоси призначені для систем з низьким та високим тиском, що потребують середньої та високої швидкості потоку. Двосекційні шестерні насоси використовуються в будівельній техніці, вантажно-розвантажувальному обладнанні, сільськогосподарському обладнанні та промисловому обладнанні.
ТОВ "Промислова Гідравліка" пропонує насоси 2 групи MGP2/GP2 у різних оформленнях і комплектаціях, а також виробляє індивідуальні замовлення на вимогу замовника.